борода
|
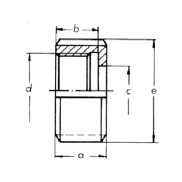
DN
|
Размер | |||||
| a | b | с | d | е |
kg
|
|
| Резьба DIN 405 | ||||||
| 10 | 18 | 15 | 19 | 28 x 1/8" | 38 | 0,08 |
| 15 | 18 | 15 | 25 | 34 x 1/8" | 44 | 0,08 |
| 20 | 21 | 18 | 31 | 44 x 1/6" | 54 | 0,14 |
| 25 | 21 | 18 | 36 | 52 x 1/6" | 63 | 0,18 |
| 32 | 21 | 18 | 42 | 58 x 1/6" | 70 | 0,20 |
| 40 | 21 | 18 | 49 | 65 x 1/6" | 78 | 0,24 |
| 50 | 22 | 19 | 62 | 78 x 1/6" | 92 | 0,34 |
| 65 | 25 | 21 | 80 | 95 x 1/6" | 112 | 0,54 |
| 80 | 30 | 26 | 94 | 110 x 1/4" | 127 | 0,74 |
| 100 | 31 | 26 | 115 | 130 x 1/4" | 148 | 0,98 |
| 125 | 35 | 30 | 138 | 160 x 1/4" | 178 | 1,43 |
| 150 | 40 | 34 | 164 | 190 x 1/4" | 210 | 2,24 |